FANUC 0-TD系统
G 代码命令
代码组及其含义
“模态代码” 和 “一般” 代码
“形式代码” 的功能在它被执行后会继续维持,而 “一般代码” 仅仅在收到该命令时起作用。定义移动的代码通常是“模态代码”,像直线、圆弧和循环代码。反之,像原点返回代码就叫“一般代码”。
每一个代码都归属其各自的代码组。在“模态代码”里,当前的代码会被加载的同组代码替换。
G代码 | 组别 | 解释 |
G00 | 01 | 定位 (快速移动) |
G01 | 直线切削 | |
G02 | 顺时针切圆弧 (CW,顺时钟) | |
G03 | 逆时针切圆弧 (CCW,逆时钟) | |
G04 | 00 | 暂停 (Dwell) |
G09 | 停于精确的位置 | |
G20 | 06 | 英制输入 |
G21 | 公制输入 | |
G22 | 04 | 内部行程限位 有效 |
G23 | 内部行程限位 无效 | |
G27 | 00 | 检查参考点返回 |
G28 | 参考点返回 | |
G29 | 从参考点返回 | |
G30 | 回到第二参考点 | |
G32 | 01 | 切螺纹 |
G40 | 07 | 取消刀尖半径偏置 |
G41 | 刀尖半径偏置 (左侧) | |
G42 | 刀尖半径偏置 (右侧) | |
G50 | 00 | 修改工件坐标;设置主轴最大的 RPM |
G52 | 设置局部坐标系 | |
G53 | 选择机床坐标系 | |
G70 | 00 | 精加工循环 |
G71 | 内外径粗切循环 | |
G72 | 台阶粗切循环 | |
G73 | 成形重复循环 | |
G74 | Z 向步进钻削 | |
G75 | X 向切槽 | |
G76 | 切螺纹循环 | |
G80 | 10 | 取消固定循环 |
G83 | 钻孔循环 | |
G84 | 攻丝循环 | |
G85 | 正面镗孔循环 | |
G87 | 侧面钻孔循环 | |
G88 | 侧面攻丝循环 | |
G89 | 侧面镗孔循环 | |
G90 | 01 | (内外直径)切削循环 |
G92 | 切螺纹循环 | |
G94 | (台阶) 切削循环 | |
G96 | 12 | 恒线速度控制 |
G97 | 恒线速度控制取消 | |
G98 | 05 | 每分钟进给率 |
G99 | 每转进给率 |
代码解释
G00 定位
1. 格式
G00 X_ Z_
这个命令把刀具从当前位置移动到命令指定的位置 (在绝对坐标方式下), 或者移动到某个距离处 (在增量坐标方式下)。

2. 非直线切削形式的定位
我们的定义是:采用独立的快速移动速率来决定每一个轴的位置。刀具路径不是直线,根据到达的顺序,机器轴依次停止在命令指定的位置。
3. 直线定位
刀具路径类似直线切削(G01) 那样,以最短的时间(不超过每一个轴快速移动速率)定位于要求的位置。
4. 举例
N10 G0 X100 Z65
G01 直线插补
1. 格式
G01 X(U)_ Z(W)_ F_ ;
直线插补以直线方式和命令给定的移动速率从当前位置移动到命令位置。

X, Z: 要求移动到的位置的绝对坐标值。
U,W: 要求移动到的位置的增量坐标值。
2. 举例

① 绝对坐标程序
G01 X50. Z75. F0.2 ;
X100.;
② 增量坐标程序
G01 U0.0 W-75. F0.2 ;
U50.
圆弧插补 (G02, G03)
1. 格式
G02(G03) X(U)__Z(W)__I__K__F__ ;
G02(G03) X(U)__Z(W)__R__F__ ;
G02 – 顺时钟 (CW)
G03 – 逆时钟 (CCW)
X, Z –在坐标系里的终点
U, W – 起点与终点之间的距离
I, K – 从起点到中心点的矢量 (半径值)
R – 圆弧范围 (最大180 度)。

2. 举例

① 绝对坐标系程序
G02 X100. Z90. I50. K0. F0.2
或
G02 X100. Z90. R50. F02;
② 增量坐标系程序
G02 U20. W-30. I50. K0. F0.2;
或
G02 U20. W-30. R50. F0.2;
第二原点返回 (G30)
坐标系能够用第二原点功能来设置。
1. 用参数 (a, b) 设置刀具起点的坐标值。点 “a” 和 “b” 是机床原点与起刀点之间的距离。
2. 在编程时用 G30 命令代替 G50 设置坐标系。
3. 在执行了第一原点返回之后,不论刀具实际位置在那里,碰到这个命令时刀具便移到第二原点。
4. 更换刀具也是在第二原点进行的。
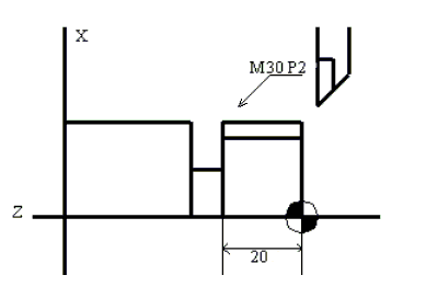
切螺纹 (G32)
1. 格式
G32 X(U)__Z(W)__F__ ;
G32 X(U)__Z(W)__E__ ;
F –螺纹导程设置
E –螺距 (毫米)
在编制切螺纹程序时应当带主轴转速RPM 均匀控制的功能 (G97),并且要考虑螺纹部分的某些特性。在螺纹切削方式下移动速率控制和主轴速率控制功能将被忽略。而且在送进保持按钮起作用时,其移动进程在完成一个切削循环后就停止了。
2. 举例

G00 X29.4; (1循环切削)
G32 Z-23. F0.2;
G00 X32;
Z4.;
X29.;(2循环切削)
G32 Z-23. F0.2;
G00 X32.;
Z4.
刀具直径偏置功能 (G40/G41/G42)
1. 格式
G41 X_ Z_;
G42 X_ Z_;

在刀具刃是尖利时,切削进程按照程序指定的形状执行不会发生问题。不过,真实的刀具刃是由圆弧构成的 (刀尖半径) 就像上图所示,在圆弧插补和攻螺纹的情况下刀尖半径会带来误差。
2. 偏置功能
命令 | 切削位置 | 刀具路径 |
G40 | 取消 | 刀具按程序路径的移动 |
G41 | 右侧 | 刀具从程序路径左侧移动 |
G42 | 左侧 | 刀具从程序路径右侧移动 |
补偿的原则取决于刀尖圆弧中心的动向,它总是与切削表面法向里的半径矢量不重合。因此,补偿的基准点是刀尖中心。通常,刀具长度和刀尖半径的补偿是按一个假想的刀刃为基准,因此为测量带来一些困难。
把这个原则用于刀具补偿,应当分别以 X 和 Z 的基准点来测量刀具长度刀尖半径 R,以及用于假想刀尖半径补偿所需的刀尖形式数 (0-9)。

这些内容应当事前输入刀具偏置文件。
“刀尖半径偏置” 应当用 G00 或者 G01功能来下达命令或取消。不论这个命令是不是带圆弧插补, 刀不会正确移动,导致它逐渐偏离所执行的路径。因此,刀尖半径偏置的命令应当在切削进程启动之前完成; 并且能够防止从工件外部起刀带来的过切现象。反之,要在切削进程之后用移动命令来执行偏置的取消过
工件坐标系选择(G54-G59)
1. 格式
G54 X_ Z_;
2. 功能

通过使用 G54 – G59 命令,来将机床坐标系的一个任意点 (工件原点偏移值) 赋予 1221 – 1226 的参数,并设置工件坐标系(1-6)。该参数与 G 代码要相对应如下:
工件坐标系 1 (G54) ---工件原点返回偏移值---参数 1221
工件坐标系 2 (G55) ---工件原点返回偏移值---参数 1222
工件坐标系 3 (G56) ---工件原点返回偏移值---参数 1223
工件坐标系 4 (G57) ---工件原点返回偏移值---参数 1224
工件坐标系 5 (G58) ---工件原点返回偏移值---参数 1225
工件坐标系 6 (G59) ---工件原点返回偏移值---参数 1226
在接通电源和完成了原点返回后,系统自动选择工件坐标系 1 (G54) 。在有 “模态”命令对这些坐标做出改变之前,它们将保持其有效性。
除了这些设置步骤外,系统中还有一参数可立刻变更G54~G59 的参数。工件外部的原点偏置值能够用 1220 号参数来传递。
精加工循环(G70)
1. 格式
G70 P(ns) Q(nf)
ns:精加工形状程序的第一个段号。
nf:精加工形状程序的最后一个段号
2. 功能
用G71、G72或G73粗车削后,G70精车削。
外园粗车固定循环(G71)
1. 格式
G71U(△d)R(e)
G71P(ns)Q(nf)U(△u)W(△w)F(f)S(s)T(t)
N(ns)……
………
.F__从序号ns至nf的程序段,指定A及B间的移动指令。
.S__
.T__
N(nf)……
△d:切削深度(半径指定)
不指定正负符号。切削方向依照AA’的方向决定,在另一个值指定前不会改变。FANUC系统参数(NO.0717)指定。
e:退刀行程
本指定是状态指定,在另一个值指定前不会改变。FANUC系统参数(NO.0718)指定。
ns:精加工形状程序的第一个段号。
nf:精加工形状程序的最后一个段号。
△u:X方向精加工预留量的距离及方向。(直径/半径)
△w: Z方向精加工预留量的距离及方向。
2. 功能
如果在下图用程序决定A至A’至B的精加工形状,用△d(切削深度)车掉指定的区域,留精加工预留量△u/2及△w。

端面车削固定循环(G72)
1. 格式
G72W(△d)R(e)
G72P(ns)Q(nf)U(△u)W(△w)F(f)S(s)T(t)
△t,e,ns,nf, △u, △w,f,s及t的含义与G71相同。
2. 功能
如下图所示,除了是平行于X轴外,本循环与G71相同。

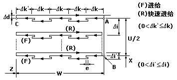
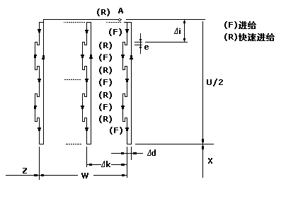
成型加工复式循环(G73)
1. 格式
G73U(△i)W(△k)R(d)
G73P(ns)Q(nf)U(△u)W(△w)F(f)S(s)T(t)
N(ns)………
…………沿A A’ B的程序段号
N(nf)………
△i:X轴方向退刀距离(半径指定), FANUC系统参数(NO.0719)指定。
△k: Z轴方向退刀距离(半径指定), FANUC系统参数(NO.0720)指定。
d:分割次数
这个值与粗加工重复次数相同,FANUC系统参数(NO.0719)指定。
ns: 精加工形状程序的第一个段号。
nf:精加工形状程序的最后一个段号。
△u:X方向精加工预留量的距离及方向。(直径/半径)
△w: Z方向精加工预留量的距离及方向。
2. 功能
本功能用于重复切削一个逐渐变换的固定形式,用本循环,可有效的切削一个用粗加工段造或铸造等方式已经加工成型的工件。

端面啄式钻孔循环(G74)
1. 格式
G74 R(e);
G74 X(u) Z(w) P(△i) Q(△k) R(△d) F(f)
e:后退量
本指定是状态指定,在另一个值指定前不会改变。FANUC系统参数(NO.0722)指定。
x:B点的X坐标
u:从a至b增量
z:c点的Z坐标
w:从A至C增量
△i:X方向的移动量
△k:Z方向的移动量
△d:在切削底部的刀具退刀量。△d的符号一定是(+)。但是,如果X(U)及△I省略,可用所要的正负符号指定刀具退刀量。
f:进给率:
2. 功能
如下图所示在本循环可处理断削,如果省略X(U)及P,结果只在Z轴操作,用于钻孔。

外经/内径啄式钻孔循环(G75)
1. 格式
G75 R(e);
G75 X(u) Z(w) P(△i) Q(△k) R(△d) F(f)
2. 功能
以下指令操作如下图所示,除X用Z代替外与G74相同,在本循环可处理断削,可在X轴割槽及X轴啄式钻孔。

螺纹切削循环(G76)
1. 格式
G76 P(m)(r)(a) Q(△dmin) R(d)
G76 X(u) Z(w) R(i) P(k) Q(△d) F(f)
m:精加工重复次数(1至99)
本指定是状态指定,在另一个值指定前不会改变。FANUC系统参数(NO.0723)指定。
r:到角量
本指定是状态指定,在另一个值指定前不会改变。FANUC系统参数(NO.0109)指定。
a:刀尖角度:
可选择80度、60度、55度、30度、29度、0度,用2位数指定。
本指定是状态指定,在另一个值指定前不会改变。FANUC系统参数(NO.0724)指定。如:P(02/m、12/r、60/a)
△dmin:最小切削深度
本指定是状态指定,在另一个值指定前不会改变。FANUC系统参数(NO.0726)指定。
i:螺纹部分的半径差
如果i=0,可作一般直线螺纹切削。
k:螺纹高度
这个值在X轴方向用半径值指定。
△d:第一次的切削深度(半径值)
l:螺纹导程(与G32)
2. 功能
螺纹切削循环。
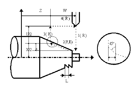
内外直径的切削循环(G90)
1. 格式
直线切削循环:
G90 X(U)___Z(W)___F___ ;
按开关进入单一程序块方式,操作完成如图所示 1→2→3→4 路径的循环操作。U 和 W 的正负号 (+/-) 在增量坐标程序里是根据1和2的方向改变的。
锥体切削循环:
G90 X(U)___Z(W)___R___ F___ ;
必须指定锥体的 “R” 值。切削功能的用法与直线切削循环类似。
2. 功能
外园切削循环。

1. U<0, W<0, R<0

2. U>0, W<0, R>0

3. U<0, W<0, R>0

4. U>0, W<0, R<0

切削螺纹循环 (G92)
1. 格式
直螺纹切削循环:
G92 X(U)___Z(W)___F___ ;
螺纹范围和主轴 RPM 稳定控制 (G97) 类似于 G32 (切螺纹)。在这个螺纹切削循环里,切螺纹的退刀有可能如 [图 9-9] 操作;倒角长度根据所指派的参数在0.1L~ 12.7L的范围里设置为 0.1L 个单位。
锥螺纹切削循环:
G92 X(U)___Z(W)___R___F___ ;
2. 功能
切削螺纹循环


台阶切削循环 (G94)
1. 格式
平台阶切削循环:
G94 X(U)___Z(W)___F___ ;
锥台阶切削循环:
G94 X(U)___Z(W)___R___ F___ ;
2. 功能
台阶切削


线速度控制 (G96, G97)
NC 车床用调整步幅和修改 RPM 的方法让速率划分成,如低速和高速区;在每一个区内的速率可以自由改变。
G96 的功能是执行线速度控制,并且只通过改变RPM 来控制相应的工件直径变化时维持稳定的切削速率。
G97 的功能是取消线速度控制,并且仅仅控制 RPM 的稳定。
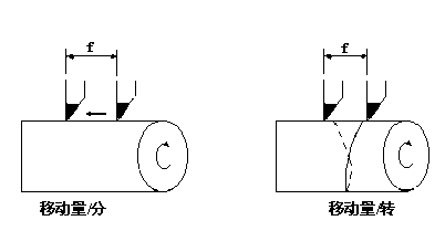
设置位移量 (G98/G99)
切削位移能够用 G98 代码来指派每分钟的位移(毫米/分),或者用 G99 代码来指派每转位移(毫米/转);这里 G99 的每转位移在 NC 车床里是用于编程的。

每分钟的移动速率 (毫米/分) = 每转位移速率 (毫米/转) x 主轴 RPM
例题:
选择1.外园粗车刀 2.外园精车刀 3.螺纹刀 4.钻头 5.镗孔刀

操作方法:
操作步骤:
1. 对工件零点:
第一、 FANUC系统数控车床设置工件零点的几种方法:
1、 直接用刀具试切对刀
(1) 用外园车刀先试车一外园,测量外园直径后,在offset界面的几何形状输入“MX外园直径值”,按“input”键,即输入到几何形状里。
(2) 用外园车刀先试车一外园端面,在offset界面的几何形状输入“MZ当前Z坐标值”,按“input”键,即输入到几何形状里。
2、 用G50设置工件零点
(1) 用外园车刀先试车一外园,测量外园直径后,把刀沿Z轴正方向退点,切端面到中心。
(2) 选择MDI方式,输入G50 X0 Z0,启动START键,把当前点设为零点。
(3) 选择MDI方式,输入G0 X150 Z150 ,使刀具离开工件进刀加工。
(4) 这时程序开头:G50 X150 Z150 …….。
(5) 注意:用G50 X150 Z150,你起点和终点必须一致即X150 Z150,这样才能保证重复加工不乱刀。
(6) 如用第二参考点G30,即能保证重复加工不乱刀,这时程序开头
G30 U0 W0
G50 X150 Z150
(7) 在FANUC系统里,第二参考点的位置在参数里设置,在Yhcnc软件里,按鼠标右键出现对话框,按鼠标左键确认即可。
3、 工件移设置工件零点
(1) 在FANUC0-TD系统的Offset里,有一工件移界面,可输入零点偏移值。
(2) 用外园车刀先试切工件端面,这时Z坐标的位置如:Z200,直接输入到偏移值里。
(3) 选择“Ref”回参考点方式,按X、Z轴回参考点,这时工件零点坐标系即建立。
(4) 注意:这个零点一直保持,只有从新设置偏移值Z0,才清除。
4、 G54------G59设置工件零点
(1) 用外园车刀先试车一外园,测量外园直径后,把刀沿Z轴正方向退点,切端面到中心。
(2) 把当前的X和Z轴坐标直接输入到G54----G59里,程序直接调用如:G54X50Z50…….
(3) 注意:可用G53指令清除G54-----G59工件坐标系.
%
程序:
N010 G30 U0. W0.(回第二参考点)
N015 G50X0.Z0.T0100(建工件坐标系,换T01号刀)
N020 G96S150M03(主轴转动,恒线速)
N025 G00Z-1.T0101(调T01刀补)
N030 G01X61.F0.5
N035 G00X61.Z3.
N040 G71U2.R0.5(粗切循环)
N045 G71P50Q115U0.4W0.2F0.4(粗切循环)
N050 G00X20.(子程序)
N055 G01Z0. .(子程序)
N060 X22. .(子程序)
N065 Z-2.X30. .(子程序)
N070 Z-30.X30. .(子程序)
N075 Z-30.X36. .(子程序)
N080 Z-32.X40. .(子程序)
N085 Z-62.X40. .(子程序)
N090 Z-62.X46. .(子程序)
N095 G03Z-64.X50.K-2.I0. .(子程序)
N100 G01 Z-77.X50. .(子程序)
N105 G03Z-80.X56.K-3.I0. .(子程序)
N110 G01Z-85.X56. .(子程序)
N115 Z-85.X57. .(子程序)
N120 G00Z30.
N125 X150.Z150.T0100(退刀去刀补)
N130 G00X61.Z30.T0202(换刀T2)
N135 G42G00Z10.
N140 G70P50Q115(精切循环)
N145 G40G00Z30.
N150 X150.Z150.T0200(退刀去刀补)
N156G0X0Z170.T0404(换刀T4)
N156G0Z1.
N157G01Z-50.F100
N158G0Z170.T0400(退刀去刀补)
N159T0505(换刀T5)
N159G0Z1.
N160G01Z-50.F100
N161G0Z170T0500
N155 G97S500M03(恒转速)
N160 G00X61.Z3.T0303(换刀T3)
N165 X42.Z-32.
N170 G76P010060(切螺纹循环)
N175 G76X37.835Z-57.P1083Q300F2.0(切螺纹循环)
N180 G00X61.Z3.
N185 X150.Z150.T0300(退刀去刀补)
N190 M05(主轴停止)
N195M30(程序停止)

我收藏的店铺
我的
商家入驻
15904040249
我要开店
积分签到

0
197
我的
咨询
购
顶部