您好,欢迎来到机加帮! 请登录 | 免费注册
热门搜索: 刀111山高哈量安全鞋断路器深沟球轴承
全部分类
机床租赁
加工中心 数控车床 机器人和刀具柜 铣镗床
刀具
内孔车刀杆 外圆车刀杆 切断切槽刀 外圆螺纹刀 内孔螺纹刀
侧固式刀柄 面铣刀柄 夹头刀柄 套式铣刀柄 莫氏锥柄
铣削刀片 车削刀片 螺纹刀片 切断切槽 钻刀片
超硬丝锥 管用丝锥 挤压丝锥 螺旋槽丝锥 先端丝锥 圆板牙 直槽丝锥
接长杆 精镗刀 镗刀柄 镗刀杆 镗刀夹 镗刀套装 镗刀头
ER筒夹 扳手杆 变径套 车刀夹 加长杆 拉钉 装刀扳手
倒角铣刀 螺纹铣刀 反拉刀 方肩铣刀 螺旋立铣刀 面铣刀盘 平头立铣刀 球头立铣刀 圆鼻立铣刀
整体铰刀 整体钻头 定心钻 中心钻 U钻
机床
立车 立加 镗床 卧车 五轴 钻床 走心机 管螺纹机床
教学机
3D打印
磨刀机 倒角机 磨齿机 攻丝机 磁座钻
设备附件
吸盘 专用工装 刀夹变径套 尾台顶尖 卡具 钻孔夹具 夹紧器 卡盘夹具 回转气缸 回转油缸
齿条 导轨 轴承 转台 刀塔 联轴器 齿轮传动 丝杠 胀紧套 刀座 主轴
把手
手轮 控制面板 电缆
测头
自动化
桁架 手爪模块 桁架线料仓 定制桁架线
机器人 抓手模块 柔性线料仓 定制柔性线
AGV
立体仓储
量具量仪
金相分析 三坐标 影像仪 粗糙度仪 轮廓测量 涂层测厚仪 硬度计 测温仪
表、表座 附件 卡尺 量规 平尺、角尺 千分尺 量块 卷尺 水平尺 测厚表 标尺
二手设备
二手卧车 二手立车 二手立加 二手镗床 二手滚齿机 二手磨齿机 信息列表
油液
切削液
防锈剂 液压导轨油 消毒液
润滑油
液压气动
旋转气缸 气爪
电磁阀 液压站 液压泵 液压工具 液压缸
空压机
电气元件
照明灯 报警灯 手电筒
对射开关 接近开关
电动机保护 塑壳断路器 微型断路器
交流接触器
管理系统
物料管理
生产辅助
污染物处理
工具
扳手插件 花形扳手 活扳手 棘轮扳手 棘轮头 两用扳手 滤清器扳手 内六角扳手 扭矩扳手 扭力倍增器 单头扳手
圆柱冲
八角锤 羊角锤 圆头锤
平锉
胶带 接杆
工具盒
电烙铁
手扳葫芦 手拉葫芦
电缆剪
花型螺丝批 六角螺丝批 螺帽螺丝批 米字螺丝批 扭矩起子 十字螺丝批 一字螺丝批 多用螺丝批
夹钳 尖嘴钳 水口钳 斜嘴钳 压接钳 平口钳 管钳 钢丝钳 断线钳 挡圈钳 剥线钳 扁嘴钳
固定套筒 花形套筒 六角套筒 米字套筒 气动套筒 十二角套筒 十字套筒 一字套筒
花型旋具头 六角旋具头 米字旋具头 十二角旋具头 十字旋具头 双头旋具头 一字旋具头
石工凿
环氧树脂胶 螺栓防松胶
其他
原材料
不锈钢扁钢 不锈钢钢板 不锈钢圆钢
钢板 圆钢
槽铝 锻造铝管 角铝 六角棒 铝棒 铝方管 铝管 铝合金锭 铝排 无缝铝管
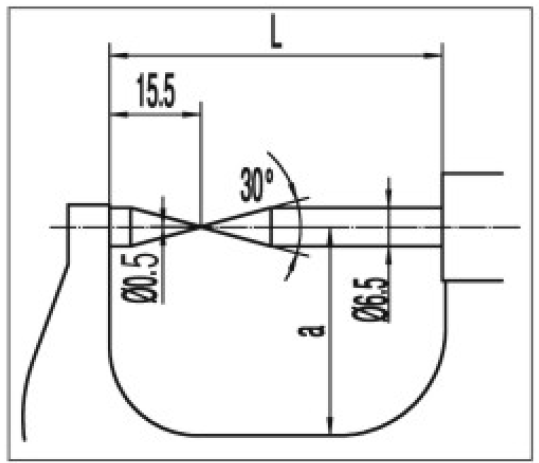
桂林广陆-千分尺-双尖头千分尺
17
请选择型号看库存
预计7天后发货
预计7天(不含运费)
签收后不可退换
GL-261-244
GL-261-243
GL-261-242
GL-261-241
1台
100%正品
品类齐全
库存充足
售后无忧
机加帮自营店
商品体验:
联系: 联系客服
电话: 0
进入店铺
关注店铺
店长推荐
江苏优智享-智能刀具柜-刀具管理主柜,工具附柜,归...
询价
经营租赁/M4-立式加工中心
¥6000.00
莫格智享,T360卧式数控车床
经营租赁/M1-钻攻中心
¥3500.00
经营租赁/T1-数控车床
¥3000.00
莫格智享,M850立式加工中心
销量排行榜
沃德-刀具包-1套
¥0.01
车削刀片-负前角-C型-UM断屑槽系列-1片
¥38.87
锐普工具-立铣刀-平头-无图层-铝-55°系列-1支
¥14.65
成都成林-BT40弹簧夹头刀柄系列-1把
¥185.22
山高-铣削刀片-刀片形状A型-后角5°-公差等级E-F40M-1片
¥245.88
七洋空油压-6通径双头电磁阀-DSD-G02系列-1套
¥253.80
哈量-量块-901-03-04-05-06-07-08系列-1套
¥174.92
山高-内孔车刀杆-刀片压紧M型-刀片形状C型-刀杆类型L型-主偏角95°-刀片后角0°-钢制实心刀杆系列-1把
¥0.00
0.00%
好评率
我的
咨询
购物车0
顶部