· 缸体加工的“先面后孔”和“基面先行”
· masiman 发布于2018-12-24 16:15
本文为夹具侠整理,转载请注明出处
在现代制造业中,大规模定制批量生产以及单件定制多采用数控加工。为充分发挥现代数控机床的功能,尤其是性价比良好的中档数控机床,具有多面、多孔、复杂轮廓、型腔等加工特征的工件加工,例如下文案例中某石化设备上某前缸体工件大规模定制生产需求,需要从比较分析传统首道工序安排存在的问题中去入手,且需要设计专用夹具装置实现工序集中加工要求。
而专用夹具主要是针对工件某道工序或某几道工序加工时需要快速装夹而设计,通常为大规模、批量生产模式下才进行专用夹具设计,进而提高工件装夹效率,也是保证工件加工质量的前提。
前缸体件首道工序分析
1、特征加工面
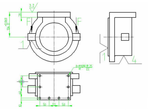
工件的加工工艺及夹具规划设计是依据特征加工面,根据特征加工面之间的加工特征、精度特征等从而确定工艺方案及其夹具规划设计,利用特征加工面的单位外法矢量之间的点积进而确定各特征加工面方位,以此判别各特征加工面是否属于相同的工位。结合该方法,针对工件加工首道工序安排问题,确定了与首道工序相关的两个工位上的特征加工面(见图1)。
图1 前缸体主要特征加工面
其中,特征加工面1 中的平面和特征加工面2 的孔面是主要特征加工基准面,其他特征加工面是其上的附属特征加工面.特征加工面1 和特征加工面2 都是工件上主要加工表面,也是影响工件加工、装配的重要表面,在不考虑其他加工特征面的前提下,可行的方法是通过对首道工序的确定,从而来分析两个特征加工面之间工序顺序安排。
2、首道工序分析
首道工序即工件加工第一道工序,首道工序的确定是为后道工序加工提供精基准,也是关系到工件加工质量的关键。传统企业在大规模定制生产该批工件时,首道工序一般安排的是特征加工面2,即采用特征加工面1 为粗基准,完成的主要工序内容见下表表1。
表1 特征加工面2为首道工序安排

表1 为企业经常采用的首道工序加工内容,采用结构较为简单手动螺旋压板式的镗孔专用夹具,在卧式回转工作台的铣镗上完成特征加工面2 的加工内容,加工效率较高,工序较为集中。这种首道工序安排看似方案良好,但生产时就会发现两方面较大的问题:
1、孔面精度不好控制,而且先加工的孔面作为基准面之后依此设计的装夹难免出错。因为这里选择的传统镗削首道工序与机械加工工艺手册中所规定的工艺优先安排原则有出入,不满足机械加工工艺手册中规定“先面后孔”和“基面先行”的原则。
注:所谓“先面后孔”即特征加工面为平面的先加工,孔面的应该安排到后道工序加工,因为平面加工比孔面加工容易,且精度易保证。
所谓“基面先行”指的是作为精基准表面的特征加工面需要先加工,从而在后道工序中可以做为精基准用于保证工件正确和准确的装夹。
2、二是企业实际完成的加工总是出现Φ164 孔与其外圆柱面同轴度误差大,造成壁厚不均匀现象,会对工件装配时有较大的影响。
图2 前缸体传统镗削首道工序安排
根据以上分析,前缸体首道工序的安排采取“先面后孔”和“基面先行”的原则,即首道工序加工特征加工面1(见表2)。
表2 特征加工面1为首道工序安排表
专用夹具设计
1、工件定位方案设计
工件以特征加工面1 为首道工序时,其主要定位基准是Φ164 孔中心线,进而保证加工平面与该中心线之间的IT8 等级的尺寸精度要求。根据六点定位原理,为了完成特征加工面1 的平面及其8M10 螺纹孔,需要采用完全定位方式对工件进行定位。为了避免Φ164 孔与其外圆柱面同轴度误差大而造成壁厚不均匀现象,以Φ164 孔中心线为基准时,应该以毛坯外圆柱面为主要定位基准面(见图3)。
前缸体工件外圆柱表面为粗基准表面,可限制其4 个自由度,两耳一边和缸体端面各限制工件1 个自由度,实现工件6 个自由度的完全定位。工件外圆柱表面的定位主要选用V 形块、半圆套等,考虑到工件两耳一边需要支承,且工件夹紧方向要朝向主要定位基准面,两耳需要分别承受夹紧力F。
因此,工件两耳部分需要分别选用固定支承和辅助支承用于工件定位和夹紧作用,这两种支承都需要安装在V 形块上,为此V形块必须专门设计。
2、专用夹具设计
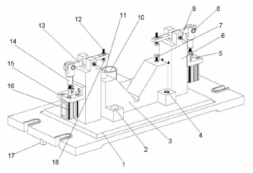
根据首道工序图要求见图3,前缸体首道工序装夹专用夹具设计见图4,前缸体工件具体装夹成品图见图5和图6。
图3 前缸体首道工序
1.夹具体 2.圆锥销 3.专用V型块 4、内六角螺钉 5.螺钉 6.立柱
7.辅助支承 8.螺栓 9.螺栓 10.圆柱挡销 11.固定支承 12.螺栓
13.杠杆 14.顶杆 15.角铁 16.气缸 17.定向键 18压块
图4 前缸体首道工序专用夹具设计
图5 前缸体装夹正面图
图6 前缸体装夹反面
结语
该专用夹具设计解决了前缸体首道工序装夹问题,通过企业制作该夹具投入使用,可以有效地解决传统工艺设计中存在的问题,利用加工中心机床大幅度提高加工效率,且工件装夹方便,有利于迅速定位工件并实施夹紧。
该装置设计运用气动夹紧方案代替传统螺旋压板机构,既是绿色夹具,也降低工人劳动强度且节约了大量辅助装夹时间。专用夹具在实际应用中具有良好的效果,为投入大规模批量定制生产提供保障。
本文链接https://www.cwjoin.com/Thread/detail/1459.html转载请附链接并注明出处
若涉及版权问题,请及时与我们取得联系
我收藏的店铺
我的
商家入驻
15904040249
我要开店
积分签到

0
424
我的
咨询
购
顶部